よくあるご質問
お客様から多く寄せられるご質問への回答をご紹介します。
情報
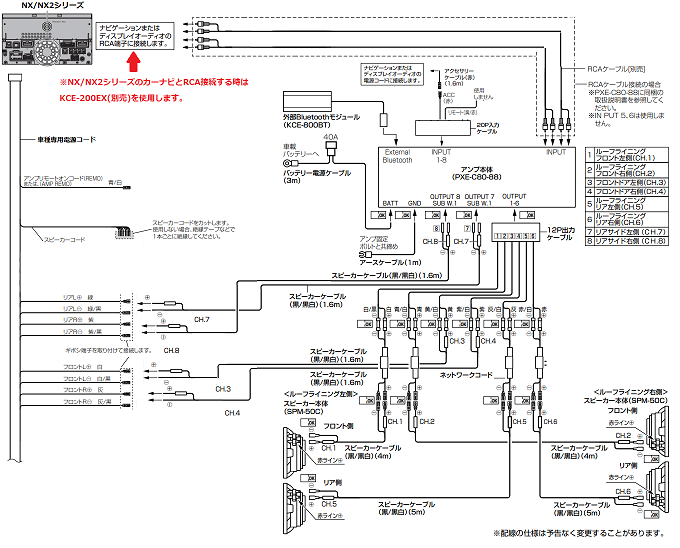
ハイエース専用OPTM8-HIとNX/NX2シリーズのカーナビの接続方法
ハイエース専用OPTM8-HIとNX/NX2シリーズのカーナビの
接続方法を下記にご案内いたします。
※シングルモデルのXF11NX2Sは、プリアウト非対応のため
下記の接続はできません(KCE-200EX接続不可)。
■NX/NX2シリーズのカーナビ(車種専用電源コード)に接続する場合
※PCの場合は下記画像をクリックすると拡大表示されます。
※スマートフォンの場合はピンチ/アウトして表示を調整してください

OPTM8-HIの取扱説明書/取付説明書ダウンロードはこちら
OPTM8-HIの製品案内ページはこちら
この説明はお役に立ちましたか?
送信中…
ご回答ありがとうございました
問題が解決しない場合は