よくあるご質問
お客様から多く寄せられるご質問への回答をご紹介します。
情報
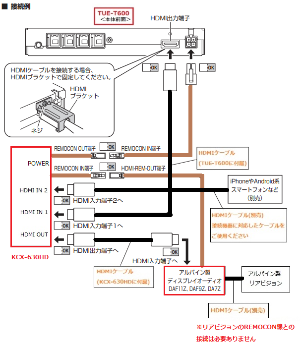
ディスプレイオーディオのリモート線やLIN端子の接続が必要な時を教えて(DA:Zシリーズ)
ディスプレイオーディオ:Zシリーズ(DAF11Z、DAF9Z、DA7Z)の
茶色のリモート出力コードとLIN接続端子の接続先を下記にご案内いたします。
■リモート出力コードの接続が必要な場合
・DAのコードの色:茶色
・DAのコードのタグネーム表示:HDMI-REM-OUT

・地デジチューナー:TUE-T600と接続する場合にリモート出力コードの接続が必要
・地デジチューナー:TUE-T600とHDMIセレクター:KCX-630HDを接続する場合に
リモート出力コードの接続が必要
※ディスプレイオーディオ:Zシリーズ(DAF11Z、DAF9Z、DA7Z)は
リアビジョン(後席モニター)のREMOCON線との接続は不要です。

■LIN接続コードを接続する場合
・DAのコードの色:端子の色:白色
・DAのコードのタグネーム表示:LIN
アルパイン製ドライブレコーダー(DVR-C320DVR-C370R)を使用する場合、
DAとドライブレコーダーのLIN端子同士を接続します。

各取扱い説明書ダウンロードページはこちら
この説明はお役に立ちましたか?
送信中…
ご回答ありがとうございました
問題が解決しない場合は