よくあるご質問
お客様から多く寄せられるご質問への回答をご紹介します。
情報
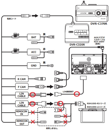
DVR-C320R/DVR-C370RのLINケーブルとREMOCON線の接続は両方必要ですか?
ドライブレコーダー:DVR-C320R、DVR-C370Rは、
付属の配線のREMOCON線は使用しません。
連動対応のNX/NX2シリーズのカーナビとは、それぞれの
製品に付属している配線内のLINケーブルを使用します。
■接続イメージ
※NX/NX2シリーズカーナビ+DVR-C320R/C370R

■接続イメージ
※NX/NX2シリーズカーナビ+リアビジョン+DVR-C320R/C370R
※リアビジョンがLINケーブル対応製品の場合

■接続イメージ
NX/NX2シリーズカーナビ+リアビジョン+DVR-C320R/C370R
※リアビジョンがLINケーブル非対応、REMOCON線だけの製品の場合

各取扱説明書ダウンロードページはこちら
この説明はお役に立ちましたか?
送信中…
ご回答ありがとうございました
問題が解決しない場合は