ALPINE
Alpine Header Image

よくあるご質問   お客様から多く寄せられるご質問への回答をご紹介します。

QA TOPへ戻る

情報

デリカD:5のマルチアラウンドビューモニターとKTX-G601Rの接続方法(ディスプレイオーディオ:Zシリーズ)

三菱デリカD:5のマルチアラウンドビューモニター配線図は、
下記のリンク先をご利用ください。
ディスプレイオーディオ(Zシリーズ)とデリカD:5専用製品の配線図はこちら

■対象車種
三菱:デリカD:5:H31年2月~(2023年2月現在)
※2023年2月以降の車両に変更がある場合は、本接続方法では
使用できない場合があります

■対応製品
・ディスプレイオーディオ:Zシリーズ
DAF11Z、DAF9Z、DA7Z
・ディスプレイオーディオデリカD:5専用取付けキット
KTX-XF11-D5-1-L
・三菱マルチアラウンドビューモニター映像分配キット
KTX-T01-AR-DA
・ステアリングリモートコントロールキット
KTX-G601R


■参考:配線図
image.png


■KTX-G601Rを使用した時の動作

デリカD5 G601R.png


■KTX-G601R接続位置と切替スイッチ位置:本説明対象のデリカD:5の場合
image.png
image.png


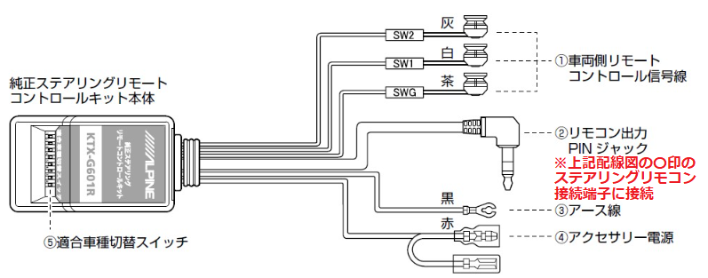
■KTX-G601R
image.png


各取扱説明書ダウンロードページはこちら
※上記の配線図の公開場所
取扱説明書ダウンロードページの製品名で検索欄に
KTX-XF11-D5-1-Lを入力
→KTX-XF11-D5-1-Lを選択
→フローティングディスプレイモデル取付けガイドをダウンロード

image.png




この説明はお役に立ちましたか?
はい    いいえ




問題が解決しない場合は
   Mail